Редуктор ЦТНД-315
Цена по запросу
Много
Нашли дешевле?
Номинальное передаточное число
- 63
- 80
- 100
- 125
- 160
Вариант сборки
В зависимости от комплектующих и комплектации изделия стоимость может изменяться. Точную стоимость уточняйте у менеджера.
Описание
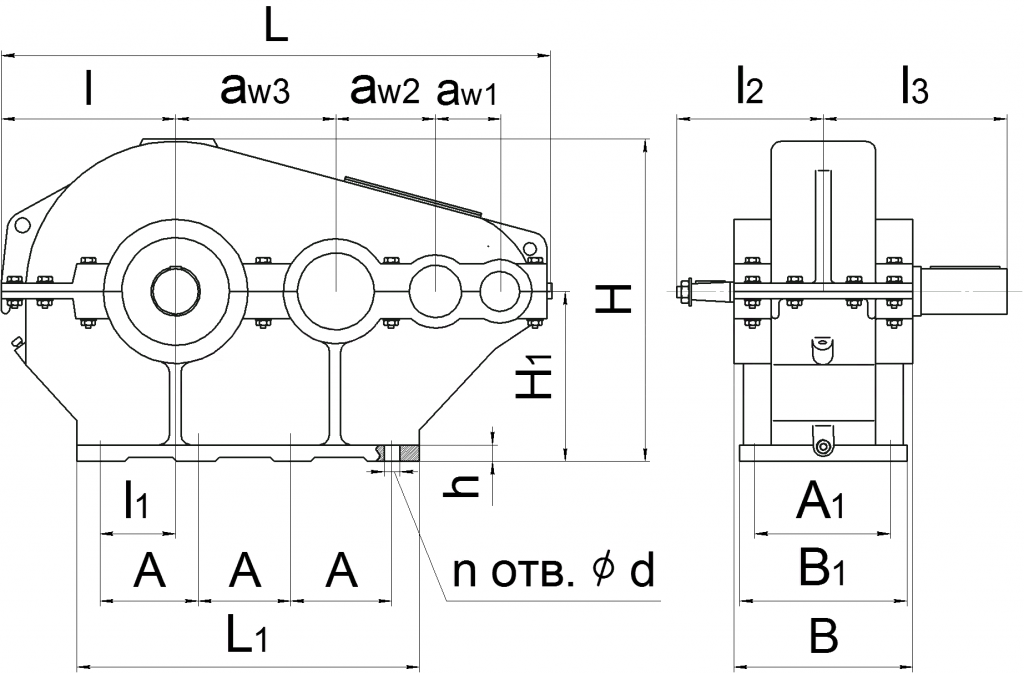
Габаритные и присоединительные размеры редуктора ЦТНД-315
| аωБ | аωПр | аωТ | l | L | L1 | l1 | l2 | l3 | А | A1 | В | В1 | h | n | d | Н | Н1 |
| 125 | 200 | 315 | 355 | 1110 | 680 | 130 | 245 | 340 | 280 | 280 | 350 | 345 | 30 | 6 | 26 | 640 | 335 |
Размеры входных и выходных концов валов редуктора ЦТНД-315
| l | b | d | t | |
| Входной вал | 58 | 10 | 32 | 35 |
| Выходной вал | 140 | 28 | 110 | 116 |
Технические характеристики редуктора ЦТНД-315
|
Номинальные передаточные отношения, U |
63; 80; 100; 125; 160 |
| Номинальный крутящий момент на выходном валу, Тном, Нм |
8 300 |
|
Допускаемая радиальная консольная нагрузка,приложенная в середине посадочной части вала, Н |
24 000 |
| КПД, % не менее |
96 |
| Масса, кг |
505 |
Характеристики
| Тип передачи редуктора | Зубчатые |
| Количество ступеней | Трехступенчатые |
| Тип зубчатых колес | Цилиндрические |
| Межосевое расстояние | 315 |
| Масса не более, кг | 505 |
| КПД | 0,98 |
Задать вопрос










































































