Поделиться
Редуктор Ц3У-200
:
Экономия
от 0 руб.
Много
Нашли дешевле?
Номинальное передаточное число
- 31,5
- 40
- 45
- 50
- 56
- 63
- 80
- 100
- 125
- 160
- 200
Вариант сборки
Поделиться
В зависимости от комплектующих и комплектации изделия стоимость может изменяться. Точную стоимость уточняйте у менеджера.
Описание
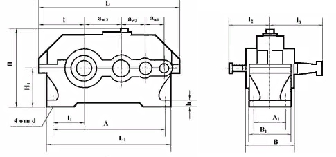
Размеры габаритных и присоединительных размеров редуктора Ц3У-200

| аw3 | аw2 | аw1 | L, не более | L1 не более | l | l1 | l2 | l3 | H, не более | H1 | A | A1 | B | B1 | d | h | |
| чугунный корпус | алюминиевый корпус | ||||||||||||||||
| 200 | 125 | 100 | 775 | 650 | 236 | 165 | 190 | 280 | 425 | 212 | 580 | 165 | 243 | 230 | 24 | 30±4 | - |
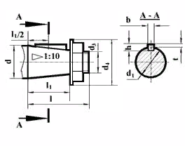
Размеры входных и выходных концов валов редуктора Ц3У-200
| Вал | d | d1 | d3 | d4, не более | l | l1 | b | h | t |
| вх | 25 | 22,9 | M16x1,5 | 45 | 60 | 42 | 5 | 5 | 3 |
| вых | 70 | 64,75 | M48x3,0 | 100 | 140 | 105 | 18 | 11 | 7 |
Размеры выходных валов редуктора Ц3У-200 в виде зубчатой муфты
| m | z | b | L | L1, не менее | k | В | d | d1 |
| 5 | 40 | 25 | 55 | 32 | 22 | 50 | 80 F7 | 105 F7 |
Размеры полых выходных валов редуктора Ц3У-200
Примечание: редуктор Ц3У-200 с несимметричным полым выходным валом изготавливается по вариантам сборок 16, 26, 36.
Технические характеристики редуктора Ц3У-200
| Номинальные передаточные числа |
31,5; 40; 45; 50; 56; 63; 80; 100; 125; 160; 200 |
||
| Номинальный крутящий момент на выходном валу при длительной работе с постоянной нагрузкой, Нм | непрерывный (Н) ПВ=100% |
2 500 |
|
| Номинальный крутящий момент на выходном валу при работе редуктора в повторно-кратковременных режимах, Нм | тяжелый (Т) ПВ=40% |
3 150 |
|
| средний (С) ПВ=25% |
4 000 |
||
| легкий (Л) ПВ=15% |
5 000 |
||
| Допускаемая радиальная консольная нагрузка, приложенная в середине посадочной части вала, Н | входного | непрерывный (Н) ПВ=100% |
1 250 |
| тяжелый (Т) ПВ=40% |
1 400 |
||
| средний (С) ПВ=25% |
1 600 |
||
| легкий (Л) ПВ=15% |
1 800 |
||
| выходного | непрерывный (Н) ПВ=100% |
12 500 |
|
| тяжелый (Т) ПВ=40% |
14 000 |
||
| средний (С) ПВ=25% |
16 000 |
||
| легкий (Л) ПВ=15% |
18 000 |
||
| КПД |
0,96 |
||
| Масса, кг | с чугунным корпусом |
190 |
|
| с алюминиевым корпусом |
- |
||
Характеристики
| Тип передачи редуктора | Зубчатые |
| Количество ступеней | Трехступенчатые |
| Тип зубчатых колес | Цилиндрические |
| Межосевое расстояние | 200 |
| Масса не более, кг | 190 |
| КПД | 0,96 |
Отзывы
Задать вопрос
Вы можете задать любой интересующий вас вопрос по товару или работе магазина.
Наши квалифицированные специалисты обязательно вам помогут.
Наши квалифицированные специалисты обязательно вам помогут.
Задать вопрос
Подписаться на рассылку
Узнавайте о скидках и акциях первым










































































