Редуктор В-200ф (Ц3ВКф-200)
от 0 руб.
Много
Нашли дешевле?
Номинальное передаточное число
- 10
- 12,5
- 16
- 20
- 25
- 31,5
- 40
- 50
- 63
- 80
- 100
Вариант сборки
В зависимости от комплектующих и комплектации изделия стоимость может изменяться. Точную стоимость уточняйте у менеджера.
Описание
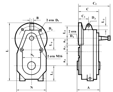
Габаритные и присоединительные размеры редуктора В-200ф (Ц3ВКф-200)

| a1 | a2 | a3 | A | B | C | C1 | C2 | D1 | D2 | D3 | D4 | L | L1 | L2 | L3 | L4 | N | N1 |
| 125 | 160 | 200 | 240 | 60 | 271 | 155 | 361 | 18 | М16 | 26 | 300 | 860 | 210 | 123 | 32,5 | 100 | 392 | 200 |
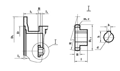
Размеры входного вала редуктора В-200ф (Ц3ВКф-200) в виде зубчатой муфты

| D | D1 | l1 | l2 | l3 | m | z | De1 | B | R | dH7 | d | l | b p9 | h |
| 250H8 | 350 | 112 | 6 | 6 | 2.5 | 30 | 80 | 12 | 35 | 55 | 35 | 10 | 38,3 |
Размеры выходного полого вала редуктора В-200ф (Ц3ВКф-200)
| l | l1 | l2 | l3 | d | Dxmx9H |
| 240 | 44 | 60 | 32 | 85 | 80x2,5 |
Технические характеристики редуктора В-200ф (Ц3ВКф-200)
| Номинальные передаточные отношения, U | 10 | 12,5 | 16 | 20 | 25 | 31,5 | 40 | 50 | 63 | 80 | 100 |
| Номинальный крутящий момент на выхдном валу, Тном, Нм | 3750 | 4000 | 4500 | 5000 | |||||||
| КПД, % |
94 |
||||||||||
| Масса, кг |
210 |
||||||||||
Характеристики
| Тип передачи редуктора | Зубчатые |
| Количество ступеней | Трехступенчатые |
| Тип зубчатых колес | Цилиндрические |
| Межосевое расстояние | 200 |
| Масса не более, кг | 210 |
| КПД | 0,94 |
Отзывы
Задать вопрос
Задать вопрос
Подписаться на рассылку
Узнавайте о скидках и акциях первым










































































