Редуктор В-100ф (Ц3ВКф-100)
Цена по запросу
Много
Нашли дешевле?
Номинальное передаточное число
- 10
- 12,5
- 16
- 20
- 25
- 31,5
- 40
Вариант сборки
В зависимости от комплектующих и комплектации изделия стоимость может изменяться. Точную стоимость уточняйте у менеджера.
Описание
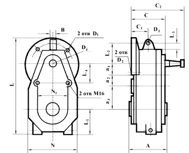
Габаритные и присоединительные размеры редуктора В-100ф (Ц3ВКф-100)

| a1 | a2 | a3 | A | B | C | C1 | C2 | D1 | D2 | D3 | D4 | L | L1 | L2 | L3 | L4 | N | N1 |
| 80 | 100 | 100 | 174 | 40 | 260 | 183 | 326 | 14 | - | 18 | 265 | 548 | 118 | 113 | 23 | 170 | 200 | 135 |
Размеры входного вала редуктора В-100ф (Ц3ВКф-100) в виде зубчатой муфты

| D | D1 | l1 | l2 | l3 | m | z | De1 | B | R | dH7 | d | l | b p9 | h |
| 230H7 | 300 | 67 | 5 | 19 | 2.5 | 20 | 55 | 12 | 157 | 22 | 35 | 28 | 6 | 24,5 |
Размеры выходного полого вала редуктора В-100ф (Ц3ВКф-100)
| l | l1 | l2 | l3 | d | Dxmx9H |
| 174 | 25 | 35 | 54 | 50 | 45x2 |
Технические характеристики редуктора В-100ф (Ц3ВКф-100)
| Номинальные передаточные отношения, U | 10 | 12,5 | 16 | 20 | 25 | 31,5 | 40 | 50 | 63 | 80 | 100 |
| Номинальный крутящий момент на выхдном валу, Тном, Нм | 438 | 438 | 500 | 563 | - | - | - | - | |||
| КПД, % |
94 |
||||||||||
| Масса, кг |
53 |
||||||||||
Характеристики
| Тип передачи редуктора | Зубчатые |
| Количество ступеней | Трехступенчатые |
| Тип зубчатых колес | Цилиндрические |
| Межосевое расстояние | 100 |
| Масса не более, кг | 53 |
| КПД | 0,94 |
Задать вопрос
Задать вопрос
Подписаться на рассылку
Узнавайте о скидках и акциях первым










































































