Редуктор В-250 (Ц3ВК-250)
от 0 руб.
Много
Нашли дешевле?
Номинальное передаточное число
- 12,5
- 16
- 20
- 25
- 31,5
- 40
- 50
- 63
- 80
- 100
Вариант сборки
В зависимости от комплектующих и комплектации изделия стоимость может изменяться. Точную стоимость уточняйте у менеджера.
Описание
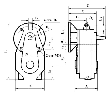
Габаритные и присоединительные размеры редуктора В-250 (Ц3ВК-250)

| a1 | a2 | a3 | A | B | C | C1 | C2 | D3 | L | L1 | L2 | L3 | L4 | N | N1 |
| 160 | 200 | 250 | 286 | 80 | 360 | 126 | 457 | 30 | 1047 | 248 | 154 | 38 | 100 | 472 | 200 |
Размеры входного конического вала редуктора В-250 (Ц3ВК-250)
| d | d1 | d4 | l | l1 | b | h | t |
| 38 | 35,1 | 50 | 80 | 58 | 6 | 6 | 3,5 |
Размеры выходного полого вала редуктора В-250 (Ц3ВК-250)
| l | l1 | l2 | l3 | d | Dxmx9H |
| 286 | 43 | 70 | 60 | 105 | 100x2,5 |
Технические характеристики редуктора В-250 (Ц3ВК-250)
| Номинальные передаточные отношения, U | 10 | 12,5 | 16 | 20 | 25 | 31,5 | 40 | 50 | 63 | 80 | 100 |
| Номинальный крутящий момент на выхдном валу, Тном, Нм | - | 7500 | 8000 | 9000 | 10000 | ||||||
| КПД, % |
94 |
||||||||||
| Масса, кг |
288 |
||||||||||
Характеристики
| Тип передачи редуктора | Зубчатые |
| Количество ступеней | Трехступенчатые |
| Тип зубчатых колес | Цилиндрические |
| Межосевое расстояние | 250 |
| Масса не более, кг | 288 |
| КПД | 0,94 |
Отзывы
Задать вопрос
Задать вопрос
Подписаться на рассылку
Узнавайте о скидках и акциях первым










































































