Редуктор В-125 (Ц3ВК-125)
от 0 руб.
Много
Нашли дешевле?
Номинальное передаточное число
- 10
- 12,5
- 16
- 20
- 25
- 31,5
- 40
- 50
Вариант сборки
В зависимости от комплектующих и комплектации изделия стоимость может изменяться. Точную стоимость уточняйте у менеджера.
Описание
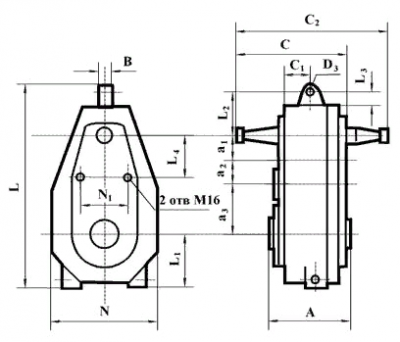
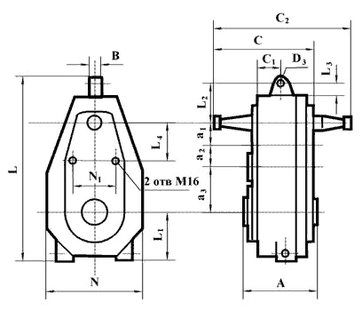
Габаритные и присоединительные размеры редуктора В-125 (Ц3ВК-125)
| a1 | a2 | a3 | A | B | C | C1 | C2 | D3 | L | L1 | L2 | L3 | L4 | N | N1 |
| 80 | 125 | 125 | 204 | 40 | 262 | 92 | 326 | 18 | 603 | 140 | 113 | 28 | 100 | 244 | 200 |
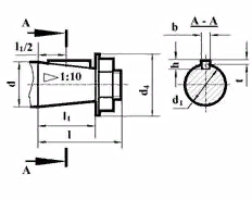
Размеры входного конического вала редуктора В-125 (Ц3ВК-125)
| d | d1 | d4 | l | l1 | b | h | t |
| 25 | 22,9 | 36 | 60 | 42 | 5 | 5 | 3 |
Размеры выходного полого вала редуктора В-125 (Ц3ВК-125)
| l | l1 | l2 | l3 | d | Dxmx9H |
| 204 | 25 | 38 | 78 | 55 | 50x2 |
Технические характеристики редуктора В-125 (Ц3ВК-125)
| Номинальные передаточные отношения, U | 10 | 12,5 | 16 | 20 | 25 | 31,5 | 40 | 50 | 63 | 80 | 100 |
| Номинальный крутящий момент на выходном валу, Тном, Нм | 875 | 1000 | 1125 | 1250 | - | - | - | ||||
| КПД, % |
94 |
||||||||||
| Масса, кг |
73 |
||||||||||
Характеристики
| Тип передачи редуктора | Зубчатые |
| Количество ступеней | Трехступенчатые |
| Тип зубчатых колес | Цилиндрические |
| Межосевое расстояние | 125 |
| Масса не более, кг | 73 |
| КПД | 0,94 |
Отзывы
Задать вопрос
Задать вопрос
Подписаться на рассылку
Узнавайте о скидках и акциях первым










































































