Редуктор Р-400
Цена по запросу
Много
Нашли дешевле?
Номинальное передаточное число
- 8
- 10
- 12,5
- 16
- 20
- 25
- 31,5
- 40
- 50
Вариант сборки
В зависимости от комплектующих и комплектации изделия стоимость может изменяться. Точную стоимость уточняйте у менеджера.
Описание
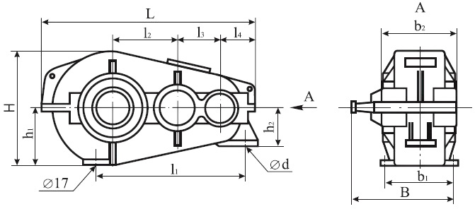
Габаритные и присоединительные размеры редуктора Р-400
| L | l1 | l2 | l3 | l4 | B | b1 | b2 | H | h1 | h2 | d |
| 826 | 573 | 250 | 150 | 128 | 442 | 270 | 310 | 480 | 240 | 160 | 26 |
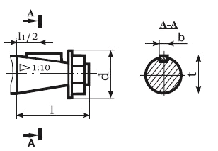
Размеры концов выходного вала редуктора Р-400
Размеры концов входного вала

| l | d | b | t |
| 85 | 75 | 12 | 48,9 |
Технические характеристики редуктора Р-400
| Передаточное число | номинальное | 50 | 40 | 31,5 | 25 | 20 | 16 | 12,5 | 10 | 8 |
| фактическое | 48,7 | 40,17 | 31,5 | 23,34 | 20,49 | 15,75 | 12,64 | 10,35 | 8,23 | |
|
Частота вращения входного вала, об/мин |
Режим работы, % | Мощность на входном валу редуктора, кВт | ||||||||
| 600 | Особо легкий | 11 | 13 | 15,7 | 19,7 | 21,5 | 23 | 26 | 29,5 | 32,5 |
| ПВ=15 | 4,5 | 5,8 | 6,3 | 10 | 10,1 | 12 | 14,2 | 16,2 | 19 | |
| ПВ=25 | 3,9 | 5 | 5,5 | 8 | 9,3 | 10,4 | 12,4 | 14 | 16,7 | |
| ПВ=40 | 3,3 | 4,3 | 4,7 | 6,9 | 7,9 | 8,8 | 10,5 | 12 | 14 | |
| ПВ=100 1,5 | 1,9 | 2,5 | 3,4 | 3,9 | 5,3 | 6,7 | 8,2 | 10,2 | ||
| 750 | Особо легкий | 13,7 | 16 | 19,4 | 23,5 | 26,5 | 27,5 | 31,5 | 34,5 | 38,5 |
| ПВ=15 | 5,2 | 6,6 | 7,6 | 10,4 | 12 | 13,2 | 15,6 | 18 | 21 | |
| ПВ=25 | 4,5 | 5,7 | 6,6 | 9 | 10,4 | 11,5 | 13,6 | 15,6 | 18,3 | |
| ПВ=40 | 3,8 | 4,9 | 5,6 | 7,7 | 8,9 | 9,8 | 11,6 | 13,3 | 15,5 | |
| ПВ=100 1,9 | 2,2 | 3,1 | 4,2 | 4,8 | 6,7 | 8,4 | 10,2 | 12,8 | ||
| 1000 | Особо легкий | 18 | 21 | 24,5 | 30 | 32 | 34,5 | 38,5 | 42 | 45,5 |
| ПВ=15 | 5,8 | 8 | 9,1 | 12,2 | 13,5 | 15,4 | 18,6 | 21 | 22,5 | |
| ПВ=25 | 5 | 7 | 7,9 | 10,6 | 11,7 | 13,4 | 16,2 | 18,3 | 19,7 | |
| ПВ=40 | 4,3 | 5,9 | 6,7 | 9 | 9,5 | 11,4 | 13,8 | 15,6 | 16,3 | |
| ПВ=100 2,5 | 3 | 4,1 | 5,5 | 6,4 | 8,5 | 11,1 | 13,5 | 17 | ||
| 1250 | Особо легкий | 22,5 | 26 | 29 | 35 | 37,5 | 40 | 44,5 | 48 | 52 |
| ПВ=15 | 7,4 | 9,2 | 10 | 13,6 | 15,5 | 17,4 | 19,8 | 23 | 24,5 | |
| ПВ=25 | 6,4 | 8 | 8,7 | 11,8 | 13,5 | 15,2 | 17,2 | 19,8 | 21,5 | |
| ПВ=40 | 5,4 | 6,8 | 7,4 | 10 | 11,5 | 13 | 14,6 | 16,8 | 18,2 | |
| ПВ=100 3,1 | 3,7 | 5,2 | 7 | 8 | 10,5 | 14 | 17 | 21,5 | ||
| 1500 | Особо легкий | 26,5 | 30,5 | 33,5 | 40 | 42,5 | 45 | 49,5 | 53,5 | 59 |
| ПВ=15 | 8 | 9,8 | 10,7 | 15 | 16,3 | 18,8 | 21,5 | 23,5 | 25 | |
| ПВ=25 | 7 | 8,6 | 9,4 | 13 | 14,7 | 16,4 | 18,6 | 20,5 | 22,5 | |
| ПВ=40 | 5,9 | 7,3 | 8 | 11 | 12,5 | 13,9 | 15,8 | 17,4 | 19,2 | |
Характеристики
| Тип передачи редуктора | Зубчатые |
| Количество ступеней | Двухступенчатые |
| Тип зубчатых колес | Цилиндрические |
| Межосевое расстояние | 400 |
| КПД | 0,96 |
Задать вопрос










































































