Редуктор Ц2У-315К
:
Экономия
Цена по запросу
Много
Нашли дешевле?
Номинальное передаточное число
- 8
- 10
- 12,5
- 16
- 20
- 25
- 31,5
- 40
- 50
Вариант сборки
В зависимости от комплектующих и комплектации изделия стоимость может изменяться. Точную стоимость уточняйте у менеджера.
Описание
Габаритные и присоединительные размеры редуктора Ц2У-315К
| Тип | aw1 | aw2 | L | l | l0 | l1 | l2 | l3 | A | A1 | B | B1 | H | H1 | n | d |
| Ц2У-315К | 315 | 200 | 1 030 | 620 | 95 | 240 | 300 | 420 | 480 | 290 | 366 | 340 | 633 | 300 | 6 | 26 |
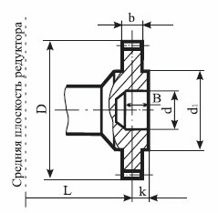
Размеры конца выходного вала в виде зубчатой муфты редуктора Ц2У-315К
| Тип | m | z | D | d F8 | d1 | B | b | k | L |
| Ц2У-315К | 6 | 40 | 252 | 110 | 130 | 60 | 30 | 25 | 245* |
| 4 | 56 | 232 | 120 | 162 | 50 | 35 | 32,5 | 237,5 |
* для варианта зубчатой полумуфты без паразитной шестерни — 250 мм.
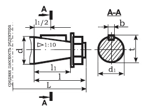
Размеры концов входного и выходного вала редуктора Ц2У-315К:
Цилиндрического:
| d | t | b | l | |
| входного вала | ||||
| Ц2У-315К | 50k6 | 53,5 | 14 | 110 |
| выходного вала | ||||
| Ц2У-315К | 110m6 | 116 | 28 | 210 |
Конического:
| Тип | d | d1 | l | l1 | t | b | L |
| входного вала | |||||||
| Ц2У-315К | 50k6 | 45,9 | 110 | 82 | 48,9 | 12 | 1300 |
| выходного вала | |||||||
| Ц2У-315К | 110m6 | 101,75 | 210 | 165 | 106,75 | 25 | 420 |
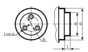
Конец выходного вала редуктора Ц2У-315К для подключения приборов и автоматики
| Тип | d1h10 | d2 | d3 | d4 | L |
| Ц2У-315К | 130 | 60 | 30 | 25 | 245 |
Технические характеристики редуктора Ц2У-315К
| Передаточное число | 8; 10; 12,5; 16; 20; 25; 31,5; 40; 50 | ||||
| Режим нагружения | ПВ-15% | ПВ-25% | ПВ-40% | ||
| Номинальный крутящий момент на выходном валу, Нм | min | 8 600 | 7 600 | 7 600 | |
| max | 11 200 | 9 200 | 9 200 | ||
| Номинальная передаваемая мощность, кВт | min | 27 | 24 | 24 | |
| max | 190 | 175 | 169 | ||
| Допускаемая радиальная консольная нагрузка, приложенная в середине посадочной части вала, Н | Выходного | min | 11 200 | ||
| max | 22 400 | ||||
| Входного | min | 2 000 | |||
| max | 4 000 | ||||
|
Масса, кг, не более |
460 | ||||
Характеристики
| Тип передачи редуктора | Зубчатые |
| Количество ступеней | Двухступенчатые |
| Тип зубчатых колес | Цилиндрические |
| Межосевое расстояние | 315 |
| Номинальный крутящий момент, Нм | 315 |
| Масса не более, кг | 460 |
| КПД | 0,97 |
Задать вопрос
Вы можете задать любой вопрос по продукции или работе компании ГОСТМАШ.
Наши специалисты обязательно вам помогут.
Наши специалисты обязательно вам помогут.










































































