Редуктор Ц2У-100 (1Ц2У-100)
------Редуктор Ц2У-100 (1Ц2У-100)
:
Экономия
Цена по запросу
Много
Нашли дешевле?
Номинальное передаточное число
- 8
- 10
- 12,5
- 16
- 20
- 25
- 31,5
- 40
Вариант сборки
В зависимости от комплектующих и комплектации изделия стоимость может изменяться. Точную стоимость уточняйте у менеджера.
Описание
Технические характеристики редукторов Ц2У (1Ц2У)
|
Показатель редуктора |
Типоразмер редуктора |
||||||
| Ц2У-100 | Ц2У-125 | Ц2У-160 | Ц2У-200 | Ц2У-250 | |||
| 1Ц2У-100 | 1Ц2У-250 | 1Ц2У-160 | 1Ц2У200 | 1Ц2У-250 | |||
| Номинальное передаточное число |
8; 10; 12,5; 16;20; 25; 31,5, 40 |
||||||
| Номинальный крутящий момент на выходном валу при длительной работе с постоянной нагрузкой, Н•м | Непрерывный (Н) ПВ=100% | 315 | 630 | 1250 | 2500 | 5000 | |
| Номинальный крутящий момент на выходном валу при работе редуктора в повторно-кратковременных режимах, H•м | Номинальный крутящий момент тяжелый (Т) ПВ=40% | 315 | 630 | 1600 | 3150 | 6300 | |
| Средний (С) ПВ=25% | 2000 | 4000 | 8000 | ||||
| Легкий (Л) ПВ=15% | 2500 | 5000 | 10000 | ||||
| Допускаемая радиальная консольная нагрузка, приложенная в середине посадочной части, Н | Входного вала Fвх | Непрерывный (Н) ПВ=100% | 500 | 750 | 1000 | 2240 | 3150 |
| Тяжелый (Т) ПВ=40% | 1150 | 2500 | 3550 | ||||
| Средний (С) ПВ=25% | 1280 | 2800 | 4000 | ||||
| Легкий (Л) ПВ=15% | 1450 | 3150 | 4500 | ||||
| Выходного вала Fвых | Непрерывный (Н) ПВ=100% | 4500 | 6300 | 9000 | 12500 | 18000 | |
| Тяжелый (Т) ПВ=40% | 10000 | 14000 | 20000 | ||||
| Средний (С) ПВ=25% | 11200 | 16000 | 22400 | ||||
| Легкий (Л) ПВ=15% | 12500 | 18000 | 25000 | ||||
| КПД, не менее |
0,97 |
||||||
| Масса редуктора, кг, не более | с чугунным корпусом | 37 | 55 | 95 | 170 | 310 | |
| с алюминиевым корпусом | 21 | 31,5 | 57 | - | - | ||
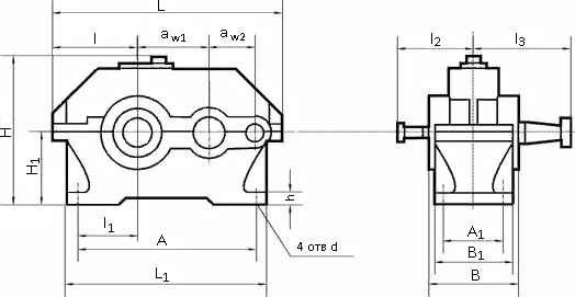
Габаритные и присоединительные размеры
| Тип редуктора | аw2 | aw1 | L | L1 | 1 | 11 | l2 | l3 | Н | H1 | A | A1 | d | B | B1 | h | |
| не более | Чугун. корпус | Алюмин. корпус | |||||||||||||||
| Ц2У-100 (1Ц2У-100) | 100 | 80 | 390 | 325 | 136 | 85 | 136 | 165 | 230 | 112 | 290 | 109 | 15 | 155 | 145 | - | 20±3 |
Размеры конических валов редуктора Ц2У-100 (1Ц2У-100)
| Тип редуктора | вал | d | d1 | I | I1 | b | t |
| Ц2У-100 (1Ц2У-100) | вх | 20 | М12х1,25 | 50 | 36 | 4 | 10,6 |
| вых | 35 | М20х1,5 | 80 | 58 | 6 | 18,55 |
Размеры цилиндрических валов редуктора Ц2У-100 (1Ц2У-100)
| Тип редуктора | вал | d | I | b | t |
| Ц2У-100 (1Ц2У-100) | вх | 18 | 36 | 6 | 20,5 |
| вых | 30 | 58 | 8 | 33 |
Характеристики
| Тип передачи редуктора | Зубчатые |
| Количество ступеней | Двухступенчатые |
| Тип зубчатых колес | Цилиндрические |
| Межосевое расстояние | 100 |
| Номинальный крутящий момент, Нм | 315 |
| Масса не более, кг | 37 |
| КПД | 0,97 |
Задать вопрос
Вы можете задать любой интересующий вас вопрос по товару или работе магазина.
Наши квалифицированные специалисты обязательно вам помогут.
Наши квалифицированные специалисты обязательно вам помогут.
Подписаться на рассылку
Узнавайте о скидках и акциях первым











































































