Редуктор Ц2Н-500
:
Экономия
Цена по запросу
Много
Нашли дешевле?
Номинальное передаточное число
- 8
- 10
- 12,5
- 16
- 20
- 25
- 31,5
- 40
- 50
Вариант сборки
В зависимости от комплектующих и комплектации изделия стоимость может изменяться. Точную стоимость уточняйте у менеджера.
Описание
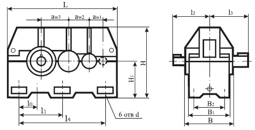
Габаритные и присоединительные размеры

| Тип | аw1 | аw2 | аw3 | L | l0 | l1 | l2 | l3 | l4 | B | B1 | B2 | H | H1 | d |
| 1Ц2Н-500 | - | 315 | 500 | 1680 | 360 | 615 | 530 | 690 | 1220 | 700 | 650 | 580 | 1055 | 530 | 42 |
Размеры цилиндрических валов редуктора Ц2Н-500
| d | t | b | d | |
| размеры входного вала | 90m6 | 95 | 25 | 170 |
| размеры выходного вала | 180m6 | 190 | 45 | 300 |
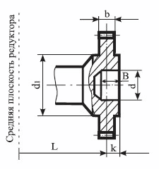
Размеры конических концов валов редуктора Ц2Н-500
| d | d1 | l | l1 | b | L | t | |
| Размеры входного вала | 90 | 83,5 | 170 | 130 | 22 | 530 | 88,5 |
| Размеры выходного вала | 180 | 168 | 300 | 240 | 40 | 690 | 177 |
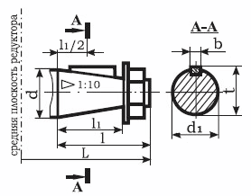
Размеры конца тихоходного вала редуктора Ц2Н-500 в виде зубчатой полумуфты

| Тип | m | z | d | d1 | B | b | k | l |
| 1Ц2Н-500 | 10 | 40 | 160F8 | 200 | 70 | 50 | 40 | 430 |
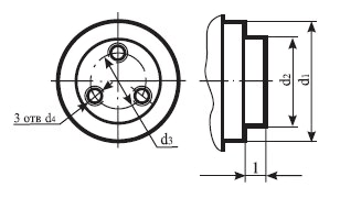
Размеры конца выходного вала редуктора Ц2У-500 для подключения приборов и автоматики

| Тип | d1 | d2 | d3 | d4 | l |
| 1Ц2Н-500 | 190h10 | 75h8 | 55 | M8 | 5 |
Технические характеристики редуктора Ц2Н-500
| Передаточное число | 8; 10; 12,5; 16; 20; 25; 31,5; 40; 50 | |||
| Номинальный крутящий момент на выходном валу, кНм | min |
40 |
||
| max |
50 |
|||
| Номинальная передаваемая мощность, кВт | min |
126 |
||
| max |
589 |
|||
| Допускаемая радиальная консольная нагрузка, приложенная в середине посадочной части вала, кН | Выходного | min |
100 |
|
| max |
100 |
|||
| Входного |
min |
6,3 |
||
|
max |
12,5 |
|||
| Масса, кг, не более |
2100 |
|||
Характеристики
| Тип передачи редуктора | Зубчатые |
| Количество ступеней | Двухступенчатые |
| Тип зубчатых колес | Цилиндрические |
| Межосевое расстояние | 500 |
| Масса не более, кг | 2100 |
| КПД | 0,97 |
Задать вопрос
Вы можете задать любой вопрос по продукции или работе компании ГОСТМАШ.
Наши специалисты обязательно вам помогут.
Наши специалисты обязательно вам помогут.










































































