Редуктор РМ-750
от 0 руб.
Много
Нашли дешевле?
Номинальное передаточное число
- 8
- 10
- 12,5
- 16
- 20
- 25
- 31,5
- 40
- 50
Вариант сборки
В зависимости от комплектующих и комплектации изделия стоимость может изменяться. Точную стоимость уточняйте у менеджера.
Описание
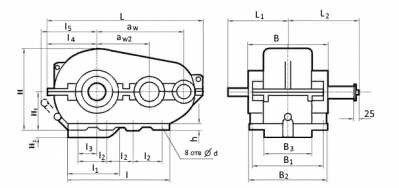
Габаритные и присоединительные размеры редуктора РМ-750

| Тип | aw | aw2 | L | L1 | L2 | l | l1 | l2 | l3 | l4 | l5 | B | B1 | B2 | B3 | H | H1 | H2 | h | d | Масса, кг |
| РМ-750 | 750 | 450 | 1448 | 450 | 475 | 1025 | 620 | 275 | 230 | 491 | 525 | 510 | 450 | 510 | 356 | 743 | 320 | 130 | 35 | 25 | 1030 |
Размеры концов входных валов редуктора РМ-750
| Тип | d | d1 | d3 | d4 (не более) | l | l1 | b | h | t |
| РМ-750 | 60 | 54,75 | М42´З | 94 | 140 | 105 | 16 | 10 | 6 |
Размеры концов выходных валов редуктора РМ-750
Под муфты
| Тип | dm6 | d1 | b | l | t |
| РМ-750 | 110 | 130 | 28 | 165 | 120 |
В виде зубчатой муфты
| Тип | m | z | b | L | L1 , не менее | k | В | d F7 | d1 f9 |
| РМ-750 | 6 | 56 | 40 | 75 | 16 | 32 | 68 | 170 | 260 |
Технические характеристики редукторов РМ
| Частота вращения входного вала, об/мин | PБmax | PТmax | PMmax | PБmax | PТmax | PMmax | PБmax | PТmax | PMmax | PБmax | PТmax | PMmax |
| РМ-250 | РМ-350 | РМ-400 | РМ-500 | |||||||||
| 600 | 3,1 | 24 | 19,1 | 3,8 | 24 | 18,4 | 3,3 | 27 | 24,9 | 4,3 | 23,5 | 21,3 |
| 750 | 2,9 | 22 | 17,6 | 3,5 | 22,5 | 16,9 | 3 | 25,5 | 23,6 | 4 | 22 | 19,6 |
| 1000 | 2,6 | 20,5 | 16 | 3,1 | 20 | 16 | 2,7 | 22,5 | 21,65 | 3,5 | 19,5 | 17,7 |
| 1250 | 2,4 | 19 | 15 | 2,9 | 18,5 | 14 | 2,5 | 22 | 20,25 | 3,2 | 18 | 16,4 |
| 1500 | 2,4 | 18,5 | 14,2 | 2,9 | 17,5 | 13,7 | 2,3 | 21 | 20,1 | 3 | 17 | 16,45 |
| РМ-650 | РМ-750 | РМ-850 | РМ-1000 | |||||||||
| 600 | 4,5 | 114 | 113 | 6,7 | 105 | 113,3 | 14 | 150 | 163,2 | 13 | 176 | 199 |
| 750 | 4,3 | 110 | 106,3 | 6,3 | 97,5 | 105 | 13 | 137 | 152,2 | 12 | 164 | 184,3 |
| 1000 | 3,8 | 96 | 97,6 | 5,5 | 88,5 | 96,1 | 11,5 | 124 | 137,8 | 10,5 | 150 | 168,2 |
| 1250 | 3,35 | 90,5 | 91 | 5 | 81,5 | 89,7 | 10,5 | 119 | 127,8 | 10 | 134 | 157 |
| 1500 | 3,1 | 86,5 | 89 | 4,6 | 79 | 89,2 | 9,9 | 111 | 124,4 | 9,1 | 128 | 154 |
- PБmax- максимально допустимая консольная нагрузка на входном валу, кН;
- PТmax- максимально допустимая консольная нагрузка на выходном валу, кН;
- PMmax-максимально допустимая консольная нагрузка на выходном валу в виде части зубчатой муфты, кН.
Характеристики
| Тип передачи редуктора | Зубчатые |
| Количество ступеней | Двухступенчатые |
| Тип зубчатых колес | Цилиндрические |
| Межосевое расстояние | 750 |
| Масса не более, кг | 1030 |
| КПД | 0,97 |
Отзывы
Задать вопрос
Задать вопрос
Подписаться на рассылку
Узнавайте о скидках и акциях первым










































































