Редуктор РЦД-250
Цена по запросу
Много
Нашли дешевле?
Номинальное передаточное число
- 10
- 16
- 20
- 25
- 31,5
- 40
Вариант сборки
В зависимости от комплектующих и комплектации изделия стоимость может изменяться. Точную стоимость уточняйте у менеджера.
Описание
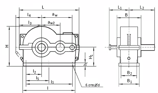
Габаритные и присоединительные размеры редуктора РЦД-250
| Тип редуктора | аw2 | aw | L | L1 | L2 | 1 | 11 | l2 | l3 | l4 | l5 | Н | H1 | h | d | B | B1 | B2 | Масса кг |
| РЦД – 250 | 150 | 250 | 520 | 220 | 230 | 400 | 330 | 115 | 185 | 235 | 165 | 315 | 160 | 24 | 23 | 250 | 250 | 200 | 87 |
Размеры концов входных валов редуктора РЦД-250

| Тип редуктора | d | d1 | d3 | d4 | l | l1 | b | h | t |
| РЦД – 250 | 30 | 27,1 | M20x1,5 | 50 | 80 | 58 | 5 | 5 | 3 |
Размеры цилиндрических выходных валов редуктора РЦД-250
| Тип редуктора | l | d | b | t |
| РЦД – 250 | 82 | 45k6 | 14 | 49.5 |
Размеры выходных валов в виде зубчатой муфты редуктора РЦД-250

| Тип редуктора | m | z | b | L | L1 | k | В | d F7 | d1 f9 |
| РЦД – 250 | 3 | 48 | 25 | 50 | 16 | 22 | 45 | 90 | 110 |
Размеры выходных полых валов редуктора РЦД-250
Технические характеристики редуктора РЦД-250
| Номинальное передаточное число | 10 | 16 | 20 | 25 | 31,5 | 40 | Максимально допустимая консольная радиальная нагрузка, Н | |||
| Частота вращения вх. вала, об/мин | Режим работы | Крутящий момент на выходном валу редуктора, Нм | Рвхmax | Pвыхmax | ||||||
| 1000 | Средний | 849 | 846 | 940 | 895 | 895 | 844 | 2200 | 10000 | |
| Тяжелый | 604 | 595 | 662 | 716 | 667 | 716 | 1800 | 10000 | ||
| Весьма тяжелый | 539 | 505 | 549 | 599 | 563 | 601 | 1400 | 8000 | ||
| Непрерывный | 505 | 505 | 480 | 457 | 457 | 431 | 1000 | 6400 | ||
| 1500 | Средний | 768 | 760 | 841 | 895 | 858 | 844 | 2200 | 10000 | |
| Тяжелый | 568 | 540 | 592 | 645 | 602 | 653 | 1800 | 10000 | ||
| Весьма тяжелый | 505 | 505 | 534 | 556 | 503 | 544 | 1400 | 8000 | ||
| Непрерывный | 505 | 505 | 480 | 457 | 457 | 431 | 1000 | 6400 | ||
Характеристики
| Тип передачи редуктора | Зубчатые |
| Количество ступеней | Двухступенчатые |
| Тип зубчатых колес | Цилиндрические |
| Межосевое расстояние | 250 |
| Масса не более, кг | 87 |
| КПД | 0,97 |
Задать вопрос
Подписаться на рассылку
Узнавайте о скидках и акциях первым













































































